ABS Full Face Flange image

ABS Full Face Flange

The ABS Full Face Flange is a critical component used to connect ABS piping systems securely and efficiently. Designed with a full face, this flange offers maximum sealing surface area, ensuring leak-proof joints when bolted to other flanged components like valves, pumps, or equipment. Manufactured from durable ABS (Acrylonitrile Butadiene Styrene), the full face flange is lightweight, corrosion-resistant, and ideal for low to medium pressure piping applications in plumbing, irrigation, and industrial fluid systems.

Key Features of ABS Full Face Flange

Full Face Design – Provides a large sealing surface for superior leak prevention
Durable ABS Material – Ensures high impact strength and corrosion resistance
Easy Installation – Bolt-hole pattern compatible with standard flanged equipment
Lightweight Construction – Simplifies handling and reduces installation time
Chemical & Corrosion Resistant – Suitable for non-aggressive fluids and environments
UV Stabilized – Can be used indoors or outdoors without degradation
Available in Multiple Sizes – Compatible with various ABS pipe diameters and flange standards
Low Maintenance – Requires minimal upkeep over its service life

Technical Information

Parameter Details
Product Name
ABS Full Face Flange
Material
Acrylonitrile Butadiene Styrene (ABS)
Connection Type
Flanged
Available Sizes
½”, ¾”, 1″, 1¼”, 1½”, 2″, 3″, 4″ and custom sizes
Operating Temperature
-20°C to +70°C
Working Pressure
Up to 10 bar
Color
Black or Grey
Standards
Complies with ASTM, ISO, and BS specifications
Applications
Plumbing, irrigation, drainage, HVAC, and industrial piping systems

Technical Measurement Data

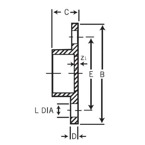
ABS-Flange-Full-Face-Drilled-ANSI-150-Drawing
Nom. Pipe Size Z1 B C D E L Holes
1/2
0.16
3.78
0.83
0.39
2.36
0.55
4
3/4
0.16
4.13
0.94
0.39
2.76
0.55
4
1
0.16
4.53
1.06
0.39
3.15
0.55
4
1-1/4
0.16
5.51
1.30
0.39
3.50
0.625
4
1-1/2
0.206
5.91
1.46
0.39
3.86
0.55
4
2
0.24
6.54
1.77
0.39
4.76
0.71
4
4
0.24
8.66
2.83
0.55
7.48
0.71
8
6
0.31
11.18
3.86
0.87
9.49
0.875
8
  • Z1 – Socket Depth, in.
  • B – Overall Diameter, in.
  • C – Bolt Circle Diameter, in.
  • D – Hole Diameter, in.
  • E – Pitch Circle Diameter, in.
  • L – Flange Thickness, in.
  • Holes – No. of Bolt Holes