CPVC COUPLER
A CPVC Coupler is a pipe fitting made from Chlorinated Polyvinyl Chloride (CPVC) that is used to connect two CPVC pipes of the same diameter in a straight line. It helps extend the length of a pipeline or repair a broken section of pipe. CPVC couplers usually have socket (slip) ends and are joined to the pipes using solvent cement, creating a strong and leak-proof connection. They are widely used in chemical processing plants, water treatment facilities, and industrial piping systems due to their excellent corrosion resistance, chemical resistance, and ability to withstand high temperatures.
The CPVC coupler Supplier in India, it is one of the most basic CPVC fittings. They are small parts that permanently join or “attach” one part to another. They can connect pipes to pipes as well as pipes to fittings. Some are even reduced in size, allowing you to connect a smaller pipe to a larger pipe, or vice versa. CPVC couplers are commonly joined to pipes using solvent cement, which creates a strong chemical bond between the pipe and the fitting. Due to the properties of CPVC, couplers offer excellent resistance to heat, corrosion, and chemicals, making them suitable for hot and cold water distribution systems, chemical processing, and industrial piping applications. A CPVC coupler acts as a connector that joins two pipes together to ensure smooth and continuous flow within the piping system.
- Chemical Resistance
- Low Maintenance Requirement
- Low Thermal Conductivity
- Long Service Life
- Easy Installation
- Corrosion Resistance
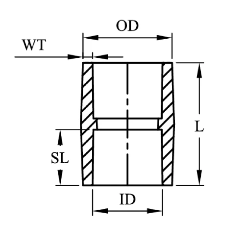
CPVC COUPLER Details
ID: Internal Diameter
OD: Outside Diameter
WT: Wall Thickness
SL: Socket Length (Engagement depth)
L: Total length of the fitting/section
| Size (Inch) | ID (mm) | OD (mm) | WT (mm) | SL (mm) | L (mm) |
| 1/2″ | 21.64 | 29.10 | 3.73 | 22.23 | 47 |
| 3/4″ | 26.97 | 34.79 | 3.91 | 25.40 | 54 |
| 1″ | 33.78 | 42.88 | 4.55 | 28.58 | 60 |
| 1 1/4″ | 42.55 | 52.25 | 4.85 | 31.75 | 67 |
| 1 1/2″ | 48.72 | 58.88 | 5.08 | 34.93 | 73 |
| 2″ | 60.78 | 71.86 | 5.54 | 38.10 | 80 |
| 2 1/2″ | 73.56 | 87.58 | 7.01 | 44.45 | 96 |
| 3″ | 89.50 | 113.74 | 7.62 | 47.63 | 102 |
| 4″ | 114.99 | 132.11 | 8.56 | 57.15 | 121 |
| 6″ | 153.88 | 168.10 | 7.11 | 77.25 | 160 |
| Parameter / Property | Details / Value |
| Product Type | Coupler / Socket |
| Function | Connects two pipes of equal size in a straight line |
| Material | CPVC (Chlorinated Polyvinyl Chloride) |
| Size Range | ½″ to 6″ (15 mm to 150 mm) |
| Pressure Rating | Up to PN 10 / 10 bar (Schedule dependent) |
| Temperature Range | 0°C to 93°C |
| Standards | ASTM D2846, ASTM F439, IS 15778 |
| Connection Type | Socket (solvent weld) / Threaded (optional) |
| End Type | Double socket (both sides) |
| Schedules/Classes | SCH 40 / SCH 80 / SDR series |
| Specific Gravity | 1.45 – 1.55 |
| Tensile Strength | 7,000 – 7,500 psi |
| Flexural Strength | 11,000 – 13,000 psi |
| Compressive Strength | ~10,000 psi |
| Thermal Conductivity | Low (Insulating properties) |
| Fire Resistance | Self-extinguishing |
| Water Absorption | Very low (~0.03%) |
| Design | Cylindrical with central stop (shoulder) |
| Surface Finish | Smooth internal and external surface |
| Color | Ivory / Light Grey |
- High Chemical Resistance
CPVC couplers are resistant to a wide range of chemicals, acids, and alkalis, making them suitable for industrial applications. - Excellent Temperature Resistance
They can withstand temperatures up to 90°C, making them ideal for hot water and high-temperature fluid systems. - Leak-Proof Connection
Designed to provide a secure and tight joint when installed with solvent cement, preventing leakage in piping systems. - Lightweight Design
CPVC couplers are lightweight compared to metal fittings, making handling and installation easier. - Corrosion and Rust Resistant
CPVC material does not rust or corrode, ensuring long-term reliability in harsh environments. - Smooth Inner Surface
The smooth internal surface reduces friction and scaling, helping maintain efficient fluid flow. - Strong and Durable
Made from high-strength CPVC material, providing good mechanical strength and durability. - Easy Installation
Quick and simple installation using solvent cement joining methods. - Low Maintenance
Requires minimal maintenance due to its corrosion resistance and durable construction. - Wide Size Availability
Available in a wide range of sizes to suit different CPVC piping systems and applications.
| Nominal Pipe Size (Inch) | DN Size | Pressure Rating at 23°C (73°F) | Pipe Schedule |
| ½” – 1″ | DN15 – DN25 | Up to 25 bar | SCH 80 |
| 1¼” – 2″ | DN32 – DN50 | Up to 20 bar | SCH 40 / SCH 80 |
| 2½” – 4″ | DN65 – DN100 | Up to 16 bar | SCH 40 |
| 5″ – 8″ | DN125 – DN200 | Up to 10 bar | SCH 40 |
| 10″ – 12″ | DN250 – DN300 | Up to 6 bar | SCH 40 |
| Temperature (°C) | Pressure Capacity |
| 23°C | 100% of rated pressure |
| 40°C | ~75% of rated pressure |
| 60°C | ~50% of rated pressure |
| 80°C | ~25–30% of rated pressure |

Custom Product Manufacturing Available
If you are searching for customized product designs that meet your requirements, don’t worry. Petron Thermoplast also offers custom product manufacturing services to meet the unique needs of various industries. Work with our expert engineers to create custom designs suited for your application.
Benefits of Using CPVC COUPLER
Strong and Reliable Connection
CPVC couplers provide a secure and durable connection between two pipes of the same diameter.
Excellent Corrosion Resistance
Made from CPVC material, couplers resist corrosion from chemicals, acids, and alkalis.
High Temperature Resistance
CPVC couplers can handle temperatures up to 90°C, making them suitable for hot water and industrial applications.
Leak-Proof Joint
When installed using solvent cement, they create a tight and leak-free connection in the piping system.
Lightweight and Easy to Handle
Compared to metal fittings, CPVC couplers are lightweight, making transportation and installation easier.
Long Service Life
CPVC material is durable and resistant to rust, scaling, and chemical damage, ensuring long-term performance.
Low Maintenance
Due to their corrosion resistance and strong material properties, CPVC couplers require minimal maintenance.
Good Chemical Compatibility
Suitable for use in chemical processing plants, water treatment systems, and industrial fluid handling systems.
Cost-Effective
CPVC couplers are more economical compared to many metal alternatives while offering reliable performance.
Wide Range of Applications
Commonly used in industrial piping, chemical plants, and water distribution networks.
Types of CPVC COUPLER
Socket (Slip) CPVC Coupler
- The most common type of coupler.
- Has socket ends that connect two CPVC pipes using solvent cement for a permanent joint.
Threaded CPVC Coupler
- Designed with internal threads.
- Used to connect pipes or fittings with external (male) threads, allowing easy installation and removal.
Reducing CPVC Coupler
- Used to connect two pipes of different diameters.
- Helps in reducing the pipe size in a pipeline system.
Repair CPVC Coupler
- Used to repair damaged or broken sections of CPVC pipes.
- Allows quick replacement without changing the entire pipe line.
Heavy Duty CPVC Coupler
Made with thicker walls for high-pressure and industrial applications.
Standard CPVC Coupler
Manufactured according to standard specifications such as ASTM D2846 or ASTM F441 and widely used in industrial piping systems.
Featured List of Applications
Process Industry
High purity applications
Electronic Industry
Electrical Industry
Semi-conductors industry
Pharmaceutical Industry
Solar power panels
Sugar Industry
Paper & pulp Industry
Nuclear power industry
Automotive Industry
DI water plants
Why Choose Petron Thermoplast?
Petron Thermoplast is a trusted manufacturer and supplier of high-quality CPVC Couplers, engineered to deliver reliable flow control in demanding industrial environments. Our CPVC coupler is designed to meet international standards while offering long-term performance and cost efficiency.
Premium-Grade CPVC Material
We use high-quality, corrosion-resistant CPVC that ensures excellent resistance to chemicals, acids, alkalis, and saline media—making our Coupler ideal for chemical, water treatment, and industrial process applications.
Robust & Leak-Proof Design
Petron Thermoplast CPVC Coupler features precision-engineered discs, high-performance elastomer seals, and rigid valve bodies, ensuring bubble-tight shut-off and consistent operation under pressure.
Smooth Operation & Low Torque
Our couplers are designed for low operating torque, allowing smooth manual, gear-operated, pneumatic, or electric actuation. This reduces actuator wear and improves overall system efficiency.
Low Maintenance & Long Service Life
CPVC construction eliminates corrosion, scaling, and rust, significantly reducing maintenance requirements and extending valve lifespan compared to metal alternatives.
