CPVC Reducer Tee Graphics

CPVC Reducer Tee

A CPVC Reducer Tee is a three-way pipe fitting made from Chlorinated Polyvinyl Chloride (CPVC) that is used to connect three pipes in a piping system, where one outlet is of a smaller or different diameter than the main pipe. It allows the pipeline to branch off while simultaneously reducing the pipe size, ensuring controlled fluid flow to different sections of the system. It is commonly used in hot and cold water distribution systems, industrial fluid pipelines, and chemical processing systems because CPVC provides excellent corrosion resistance, chemical resistance, and high temperature tolerance.

One more type of pipe tee seen in pipe and tube fittings is the CPVC Reducer Tee. There are two types of pipe tees: standard tees, which have all the outlets of the same size, and reducer tees, which have a mix of different outlet sizes.

CPVC Reducer Tee Details

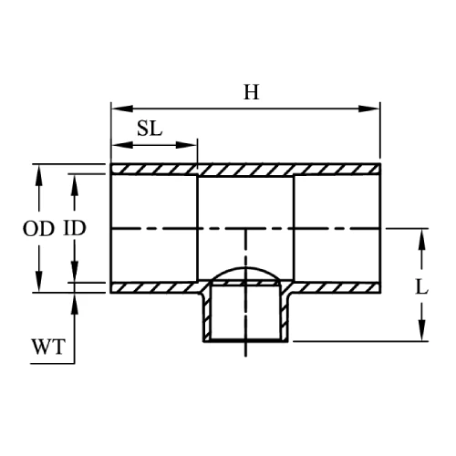
UPVC-REducer-Tee-1
  • ID: Inner Diameter

  • OD: Outer Diameter

  • WT: Wall Thickness

  • SL: Socket Length (or Sleeve Length)

  • L: Overall Length

  • H: Height

Size (Inch)ID-1 (mm)OD-1 (mm)WT-1 (mm)SL-1 (mm)ID-2 (mm)OD-2 (mm)WT-2 (mm)SL-2 (mm)L (mm)H (mm)
¾ x ¾ x ½26.9734.793.9125.4021.6429.103.7322.235680
1 x 1 x ½33.7842.884.5528.5821.6429.103.7322.236792
1 x 1 x ¾33.7842.884.5528.5826.9734.793.9125.407092
1¼ x 1¼ x ½42.5552.254.8531.7521.6429.103.7322.2370108
1¼ x 1¼ x ¾42.5552.254.8531.7526.9734.793.9125.4073108
1¼ x 1¼ x 142.5552.254.8531.7533.7842.884.5528.5875108
1½ x 1½ x ½48.7258.885.0834.9321.6429.103.7322.2375117
1½ x 1½ x ¾48.7258.885.0834.9326.9734.793.9125.4082117
1½ x 1½ x 148.7258.885.0834.9333.7842.884.5528.5882117
1½ x 1½ x 1¼48.7258.885.0834.9342.5552.254.8531.7587117
2 x 2 x ½60.7871.865.5438.1021.6429.103.7322.2388100
2 x 2 x ¾60.7871.865.5438.1026.9734.433.7325.4093135
2 x 2 x 160.7871.865.5438.1033.7842.884.5528.5895135
2 x 2 x 1¼60.7871.865.5438.1042.5552.254.8531.75100135
2 x 2 x 1½60.7871.865.5438.1048.7258.885.0834.93104135
2½ x 2½ x 273.5687.587.0144.4560.7871.865.5438.1082.2161
3 x 289.31105.5516.2448.6360.7888.5427.7644.0095.45181.12
3 x 3 x 2½89.51104.757.6247.6373.3883.705.1644.4595.45181.10
PropertyDetails
Product TypeReducer Tee (Reducing Tee Fitting)
FunctionConnects three pipes with one branch of smaller size
MaterialCPVC (Chlorinated Polyvinyl Chloride)
DesignEqual run × Reduced branch
Connection TypeSocket (Solvent Weld) / Threaded
Size Range½” × ½” × ¼” up to 4” × 4” × 2”
ScheduleSCH 40 / SCH 80
Pressure RatingUp to ~10–16 bar (varies with size & temperature)
Temperature RangeUp to 93°C (≈210°F)
StandardsASTM D2846, ASTM F439, ASTM F437
Manufacturing ProcessInjection molded
ColorGrey / off-white
Flow DesignSmooth internal bore for low friction
ApplicationPlumbing, chemical piping, water distribution
Density~1.50 – 1.60 g/cm³
Tensile Strength~50 – 60 MPa
Flexural Strength~90 – 110 MPa
Modulus of Elasticity~2400 – 3000 MPa
Impact StrengthModerate to high
Hardness~80–85 Shore D
Water Absorption≤ 0.04%
Heat Deflection Temp~90–105°C
Thermal ConductivityLow (good insulation)
WeightLightweight
  1. Three-Way Pipe Connection
    Designed with a T-shaped structure to connect three pipes and allow branching in a piping system.

  2. Size Reduction at the Branch
    The branch outlet is smaller than the main pipe, enabling controlled distribution of fluid.

  3. High Temperature Resistance
    Can handle temperatures up to 93°C (200°F), making it suitable for hot and cold water systems.

  4. Corrosion Resistance
    Made from CPVC material that does not rust or corrode, ensuring long-term durability.

  5. Excellent Chemical Resistance
    Resistant to many acids, salts, and alkalis, making it suitable for industrial and chemical applications.

  6. Lightweight Design
    Lighter than metal fittings, which makes handling, transportation, and installation easier.

  7. Leak-Proof Jointing
    Uses solvent cement welding to create strong and reliable leak-free connections.

  8. Smooth Internal Surface
    The smooth inner wall reduces friction and pressure loss, improving fluid flow efficiency.

  9. High Strength and Durability
    Provides strong mechanical performance and long service life in various piping systems.

  10. Compatibility with CPVC Piping Systems
    Suitable for use with CPVC Schedule 40 and Schedule 80 pipes in commercial and industrial applications.
Nominal Size (Inch)Pressure Rating at 23°C (73°F)Pressure Rating at 60°C (140°F)Pressure Rating at 93°C (200°F)
½” – ¾”400 psi210 psi100 psi
1″ – 1¼”370 psi190 psi90 psi
1½” – 2″330 psi170 psi80 psi
2½” – 3″300 psi150 psi70 psi
4″280 psi140 psi65 psi
Repairing Service

Custom Product Manufacturing Available

If you are searching for customized product designs that meet your requirements, don’t worry. Petron Thermoplast also offers custom product manufacturing services to meet the unique needs of various industries. Work with our expert engineers to create custom designs suited for your application.

Benefits of Using CPVC Reducer Tee

Efficient Pipe Branching

Allows a pipeline to branch into a smaller pipe size, making it useful for distributing fluid to different sections of a system.

High Temperature Resistance

Suitable for hot and cold water systems, withstanding temperatures 0  to 100°C.

Excellent Corrosion Resistance

CPVC does not rust or corrode like metal fittings, ensuring long service life.

Chemical Resistance

Resistant to many acids, alkalis, and salts, making it ideal for industrial and chemical applications.

Leak-Proof Connections

Solvent cement joints provide strong, permanent, and leak-free connections.

Lightweight Material

CPVC fittings are lighter than metal fittings, making transportation and installation easier.

Smooth Internal Surface

The smooth inner wall reduces friction and pressure loss, improving flow efficiency.

Low Maintenance

Resistant to scaling, corrosion, and chemical damage, resulting in minimal maintenance requirements.

Durable and Long-Lasting

Strong material that performs reliably in commercial and industrial piping systems.

Cost-Effective Solution

Lower installation and maintenance costs compared with traditional metal fittings.

Types of CPVC Reducer Tee

Socket Reducer Tee

  • The most common type.
  • All three ends have socket connections for solvent cement joining with CPVC pipes.

Threaded Reducer Tee

  • One or more ends have threaded connections.
  • Used where threaded pipe connections are required for easy installation or maintenance.

Spigot × Socket Reducer Tee

  • One end is a spigot (plain end), and the other ends are socket ends.
  • The spigot end fits directly into another socket fitting.

Female Threaded Reducer Tee

  • The branch or one end has female threads, while the other ends have socket connections.
  • Used to connect CPVC pipes with male threaded fittings or valves.

Male Threaded Reducer Tee

  • One outlet has male threads, while the other ends are socket type.
  • Used where a threaded connection to equipment or fittings is required.

Equal Run with Reduced Branch Tee

  • Two straight ends are the same size, and the branch outlet is smaller for reducing flow to another line.

Industrial Heavy-Duty Reducer Tee

  • Designed for industrial piping systems with higher pressure and chemical resistance requirements.

Applications of CPVC Reducer Tee

Process Industry

High Purity Applications

Electronic Industry

Electrical Industry

Semi-conductors Industry

Pharmaceutical Industry

Solar power panels

Sugar Industry

Paper & Pulp Industry

Nuclear Power Industry

Automotive Industry

DI water plants

Why Choose Petron Thermoplast?

A Petron Thermoplast provides CPVC Caps that keep connections simple and cost-effective. Selecting the right type depends on your CPVC Cap setup, material, and pressure requirements. At Petron Thermoplast, we manufacture CPVC caps that meet ASME and MSS standards.

Material Selection – Fluid compatibility, Operating temperature, Pressure rating, Standards/Regulations

Length and Pressure Rating – MSS is short for low pressure. ANSI is long for high pressure.