UPVC 3 Way Ball Valve
A UPVC 3 Way Ball Valve is a versatile quarter-turn valve designed with three ports to control the flow of liquids, gases, or slurries. Unlike traditional single-port valves, UPVC 3 way ball valves are specifically engineered to manage multiple flow paths in a single compact unit. This functionality reduces the need for complex piping systems, offering efficiency and simplicity in various industrial and commercial applications.
A UPVC 3 Way Ball Valve is a flow control valve made from unplasticized polyvinyl chloride (uPVC) that uses a rotating ball with three ports to control the direction and mixing of fluid flow in a piping system. A rigid, corrosion-resistant widely used in chemical and industrial piping and this valve has three openings. The UPVC three way ball valve is a valve with a spherical obturator inside with seats on both sides. The UPVC 3 Way Ball Valves are basically quarter‐turn i.e. to open or close the ball valve the handle needs to be rotated through 90˚. The Upvc 3 way ball valves can have a variety of features, modifications and arrangements to serve various needs of customers and the processes. The materials used for construction also consist of various combinations.
- Chemical Resistance
- Low Maintenance Requirement
- Low Thermal Conductivity
- Long Service Life
- Easy Installation
- Corrosion Resistance
UPVC 3 Way Ball Valve Details
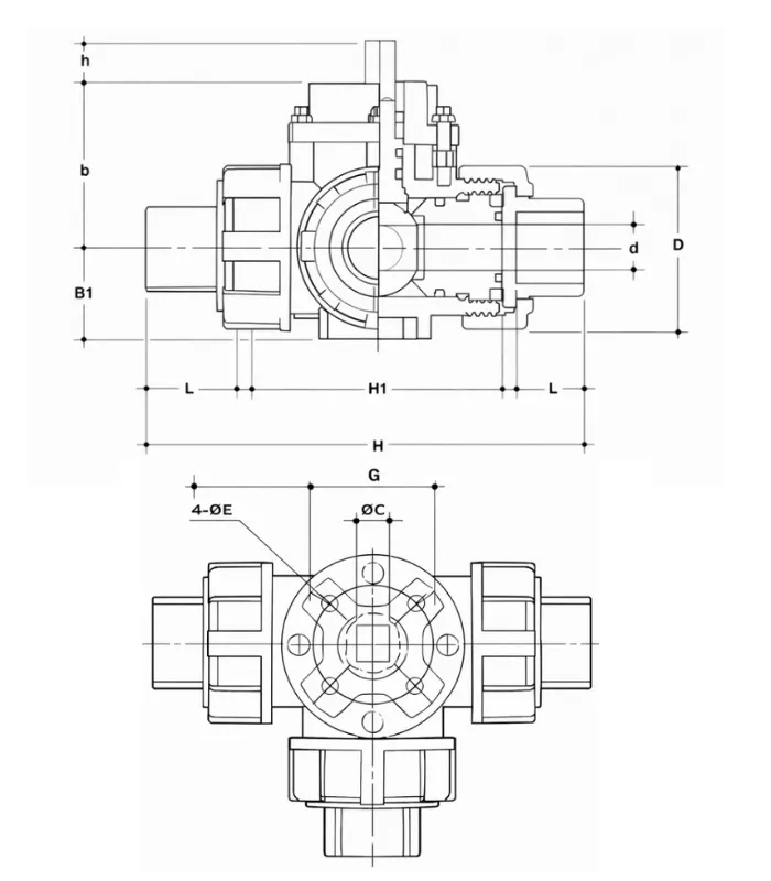
General Dimensions
DN: Nominal Diameter
D: Outer Body Diameter
d: Internal Bore Diameter
b: Center to Top Height
B1: Center to Bottom Height
H: Total Overall Length
H1: Body End Distance
L: Socket Connection Depth
Mounting & Stem Details
G (ISO Pattern): ISO Mounting Standard (e.g., F03)
ØC (Stem/Square): Stem Square Diameter
ØE (Bolt Hole Dia): Bolt Hole Diameter
4-ØE: Four Bolt Holes
Note: The symbol Ø is the standard engineering notation for diameter.
Dimensional Data Specifications
| SIZE (DN) | D | d | b | B1 | H | H1 | L |
| 15 | 54 | 14 | 53 | 30 | 137 | 81 | 22 |
| 20 | 69 | 22 | 65 | 38.5 | 172 | 109 | 24.5 |
| 25 | 82 | 25 | 68 | 46 | 200 | 130 | 28 |
| 32 | 82 | 25 | 68 | 46 | 208 | 130 | 32 |
| 40 | 117 | 38 | 92 | 65 | 240 | 154 | 35 |
| 50 | 117 | 38 | 92 | 65 | 246 | 154 | 38 |
ISO Mounting Pattern and Stem Details
| SIZE (DN) | G (ISO Pattern) | ØC (Stem/Square) | ØE (Bolt Hole Dia) |
| 15 | F03 | 11 | 5.5 |
| 20 | F03 | 11 | 5.5 |
| 25 | F03 | 11 | 5.5 |
| 32 | F03 | 11 | 5.5 |
| 40 | F03 | 14 | 8.5 |
| 50 | F03 | 14 | 8.5 |
| Parameter | Specification / Details |
| Product Name | uPVC 3-Way Ball Valve |
| Valve Type | Ball Valve (Quarter-turn) |
| Body & Ball Material | uPVC (Unplasticized Polyvinyl Chloride) |
| Seat Material | PTFE (Teflon) |
| Seal / O-Ring Material | EPDM / NBR |
| Port Configuration | L-Port / T-Port |
| Number of Ports | 3 |
| Operation | Manual (Lever Operated) |
| Size Range | 20 mm to 110 mm (½″ to 4″) |
| Pressure Rating | PN10 / PN16 |
| Working Pressure | Up to 10–16 bar (at 27°C) |
| Working Temperature | 0°C to 60°C |
| End Connection | Socket / Threaded / Flanged |
| Flow Direction | Multi-directional |
| Handle Material | PVC / ABS |
| Density | 1.38 – 1.45 g/cm³ |
| Tensile Strength | 45 – 55 MPa |
| Water Absorption | < 0.1% |
| Color | Grey (Standard) |
| Leakage Class | Bubble-tight (Zero leakage) |
| Corrosion Resistance | Excellent (Non-rusting, resistant to acids/alkalis) |
| Flame Retardancy | Self-extinguishing |
| Standards | ISO, DIN, ASTM compliant |
- Three-Port Design
Enables flow diversion, mixing, or distribution within a single valve. - L-Port & T-Port Options
Available for specific flow control requirements such as switching or mixing. - High-Quality uPVC Construction
Provides excellent resistance to corrosion, chemicals, acids, and alkalis. - PTFE Seat & Seals
Ensures bubble-tight shut-off and long service life. - Quarter-Turn Operation
Fast and easy manual operation using a lever handle. - Full Bore Design
Minimizes pressure drop and ensures smooth fluid flow. - Lightweight & Compact
Easy to install and reduces load on piping systems. - Low Maintenance
Non-rusting material eliminates frequent servicing. - Leak-Proof Performance
Precision-molded components ensure reliable sealing. - Wide Size Range
Available in multiple sizes to suit various piping systems. - Multiple End Connections
Socket, threaded, and flanged options available. - Long Service Life
Designed for durable performance under rated pressure and temperature.
| Valve Size | Pressure Rating (PN) | Max Working Pressure @ 27°C |
| 20 mm (½″) | PN16 | 16 bar |
| 25 mm (¾″) | PN16 | 16 bar |
| 32 mm (1″) | PN16 | 16 bar |
| 40 mm (1½″) | PN16 | 16 bar |
| 50 mm (2″) | PN16 | 16 bar |
| 63 mm (2½″) | PN10 | 10 bar |
| 75 mm (3″) | PN10 | 10 bar |
| 90 mm (3½″) | PN10 | 10 bar |
| 110 mm (4″) | PN10 | 10 bar |

Custom Product Manufacturing Available
If you are searching for customized product designs that meet your requirements, don’t worry. Petron Thermoplast also offers custom product manufacturing services to meet the unique needs of various industries. Work with our expert engineers to create custom designs suited for your application.
Benefits of Using UPVC 3 Way Ball Valve
Flow Direction Control
Allows diversion, mixing, or switching of flow between multiple pipelines using a single valve.
Corrosion Resistant
UPVC material is highly resistant to corrosion, chemicals, acids, and alkalis, ensuring long service life.
Leak-Proof Operation
UPVC seats provide bubble-tight shut-off and reliable sealing.
Smooth Flow Characteristics
Full-bore design minimizes pressure drop and improves flow efficiency.
Lightweight Construction
Easy to handle, transport, and install compared to metal valves.
Low Maintenance
Non-rusting material reduces wear and minimizes maintenance requirements.
Cost-Effective Solution
Lower initial and lifecycle cost than brass valves.
Easy Operation
Quarter-turn lever operation enables quick and precise flow control.
Versatile Port Options
Available in L-port and T-port configurations to suit different system needs.
Wide Application Range
Suitable for oil & gas treatment, chemical processing, irrigation, swimming pools, and industrial piping systems.
Temperature & Pressure Stability
Performs reliably under rated pressure and temperature conditions.
Types of UPVC 3 Way Ball Valve
1. L-Port UPVC 3 Way Ball Valve
- Has an L-shaped passage inside the ball
- Connects two ports at a time
- Used to divert flow from one line to another
- Does not allow mixing
- Common in line switching and flow diversion systems
2. T-Port UPVC 3 Way Ball Valve
- Has a T-shaped passage inside the ball
- Can connect all three ports simultaneously (depending on position)
- Allows mixing or splitting of flow
- More versatile than L-port
- Used in mixing, distribution, and bypass applications
Why Choose Petron Thermoplast?
At Petron Thermoplast, the UPVC 3 way ball valve offers significant advantages over 2 way valves due to its ability to manage the multiple flow paths efficiently. From mixing and diverting to splitting media, these valves provide unmatched flexibility for complex systems in industries like chemical processing, oil & gas treatment, and HVAC. Choosing the right Upvc 3 way ball valve requires careful consideration of system requirements, material selection, actuation methods, and industry compliance to ensure optimal performance and longevity. Petron thermoplast guarantees access to high-quality, expertly designed solutions tailored to your specific needs, ensuring the seamless operation and reliable performance.
